二乙醇单异丙醇胺对水泥粉磨性能影响的对比实验

日期:10-20  点击:6608  属于:产品技术
研究二乙醇单异丙醇胺(DEIPA)在硅酸盐水泥粉磨中的助磨特性,探讨了其对水泥粉磨过程及粉体综合性能的影响。结果表明:二乙醇异丙醇胺促进水泥粉磨过程,缩短了水泥粉磨时间;降低了小于5μm的微细颗粒含量,改变了粒度分布。DEIPA使粉磨试样的颗粒均匀度、圆形度提高,颗粒团聚现象改善,降低了水泥粉体的休止角。
水泥已成为人类社会最主要的、不可替代的三大传统建筑材料之一。2014年我国水泥产量24.1亿t,连续30年居世界首位。但同时,即便如此水泥的产量仍然在增加,水泥工业年消耗约占4%全国能源总量、约有13亿t石灰石;排放CO2 10亿t(占总排放量的16%)NOx和SO2约200万t烟尘、粉尘约620万t,造成巨大环境负荷。近年来,随着资源和能源的日渐紧缺以及国家相关政策的陆续出台,水泥助磨剂作为水泥工业节能减排措施之一而广泛应用。按每吨熟料0.98tCO2的碳排放量与70kW·h/t的生产电耗计算,使用水泥助磨剂后每吨水泥可降低12kW·h/t,综合电耗、58.8kg熟料CO2排放量。水泥助磨剂组分包括醇胺类、醇类、无机盐类等,其中链烷醇胺如三乙醇胺(TEA)、三异丙醇胺(TIPA)因其高性价比、优异增强能力而成为主要组分之一。

目前看来,水泥粉磨工艺中使用助磨剂,是适应水泥检验新标准、降低水泥生产成本及提高水泥质量的最可行办法,助磨剂的研究与开发是每个水泥技术人员的科研任务.人们对醇胺类有机表面活性剂早已认同[4],有很多种化合物都是很好的助磨材料,如三乙醇胺三异丙醇胺等.前者能提高粉磨效率,可提高产量约15%~20%左右,且能明显提高水泥早期强度,不足是对水泥后期强度提高甚微,以致有所削弱;后者对提高粉磨效率与三乙醇胺有同样的效果,对提高早期强度略差,且有引气较大的缺点,优点是可提高水泥后期强度.为找出比前两者助磨效果更好,且负面影响更小的新材料或组合材料,我们在众多的化学助磨材料中筛选出二乙醇异丙醇胺(DEIPA)和木质素磺酸钙(木钙)进行实验研究.
1 材料与方法
1.1 材料

(1)助磨材料.二乙醇异丙醇胺:为三乙醇胺同系物,非离子表面活性剂,呈弱碱性,具备良好的分散性和润滑性,纯度85%,工业级,.木质素磺酸钙:为常用水泥减水剂原料,纯度95%,工业级,河北石家庄海森化工有限公司生产.
(2)熟料:市面上常见的熟料.矿渣:市面上常见的废料.石膏:市面上常见的废料.
1.2 实验仪器
100×60鄂式破碎机,500mm×500mm标准实验磨,BT-9300H激光粒度测试仪,SF-150型水泥细度负压筛析仪,GZ-85型水泥胶砂振动台,NRJ-411型水泥胶砂搅拌机,ZS-15型水泥胶砂振实台,DYZ-5000型电动抗折试验机,NYL-300B型压力试验机.
1.3 方法
将水泥熟料、矿渣、石膏破碎,水泥组合物配比:熟料55%,矿渣37%,石膏8%.每次小磨试验投料5㎏,将二乙醇异丙醇胺稀释成约200mL水溶液,事先均匀洒入组合物中.同时,按不同要求进行小磨试验,每次粉磨时间为25s.记录掺加二乙醇异丙醇胺时其不同浓度对水泥物理性能的影响[5],以及木钙与其配合使用时的最佳浓度.
2 实验结果与讨论
2.1 不同浓度DEIPA对水泥组合物物理性能的影响
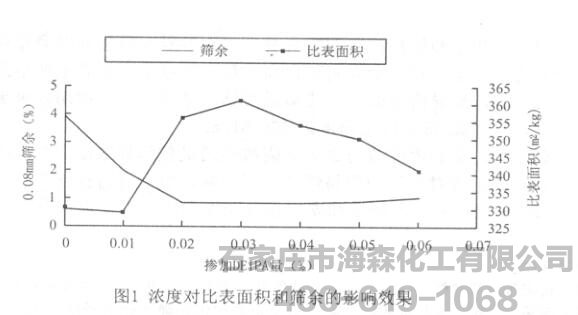
2.1.1 对筛余和对比表面积的影响

将不同量的二乙醇异丙醇胺加入到水泥组合物中做粉磨试验,对比表面积和筛余的影响见图1.表明掺加二乙醇异丙醇胺对比表面积的影响好坏无法判定[6];对筛余而言,加量在0.01%时与空白样对比筛余就有明显效果,筛余随浓度增加而变小,但加量在0.04%以后变化呈平缓状态,至0.05%后筛余略有上升趋势,可认定最佳浓度区间为0.02%~0.05%.

2.1.2 对抗折抗压强度的影响
在对水泥组合物的强度影响方面看到,二乙醇异丙醇胺(DEIPA)对筛余有好的影响的同时也反映在对水泥压强方面的影响,从图2、图3看出,对水泥3d和28d强度都有好的影响,对抗折强度影响较小,提高较平缓,但对抗压强度影响较大,最大时可提高抗压强度70MPa左右,添加量在0.01%时出现特殊点,对抗压强度出现负值,但以后随浓度增大影响加大,浓度在0.03%~0.04%区间效果最好,这同对筛余的影响也不谋而和,考虑到助磨材料的成本,可选定0.03%为单组份最佳掺量.
2.2 加入木钙时对水泥物理性能的影响
选定掺加浓度为0.03%的DEIPA的同时,加入不同浓度的木钙,从图4、图5看出,其组合形式对水泥不同龄期强度产生了明显效果,不同浓度对3d和28d抗折强度都有比单独使用二乙醇异丙醇胺时有较均匀的增长,每增加一个百分点抗折强度大约提高0.1MPa,但浓度加至0.06%后呈平缓状态,对3d和28d抗压强度提高幅度较大,添量在0.06%时提高最大,大约比空白时提高近100MPa.
3 结论
DEIPA在粉磨过程中的助磨特性与TEA及TIPA相似。掺入0.015%的二乙醇异丙醇胺、TEA及TIPA均降低了小于5μm区间的微细颗粒含量,改变了水泥粉体的粒度分布,从而消除了研磨体表面的“垫层”及过粉磨现象。
掺入0.015%的DEIPA粉磨后粉体的颗粒均匀度、圆形度均明显提高,颗粒整体尺寸降低,团聚现象改善;三链烷醇胺的加入均降低了粉体休止角,其中掺0.015%的二乙醇异丙醇胺的粉体休止角从41.5°降低到36.5°。
(1)从筛余和抗折抗压数据来看,二乙醇异丙醇胺的助磨作用优于三乙醇胺三异丙醇胺,对比表面积贡献无法界定,对筛余有明显提高,最大特点是可提高水泥早期强度和后期强度.
(2)二乙醇异丙醇胺与木质素磺酸钙的结合比单一使用效果更好,表现在筛余和抗折抗压两个物理性能方面,可提高28d抗压强度近100MPa.
(3)二乙醇异丙醇胺与木质素磺酸钙的最佳添加浓度为0.03%和0.06%.
(4)此组合对水泥的和易性产生了影响,更易进行操作.
(5)实验中对水泥凝结和安定性及稠度未产生不良影响.
微信扫描关注我们
电子天平,华志电子天平,二氧化氯,化学试剂,玻璃仪器,进口化学试剂,化工原料,精密仪器,电子称,山东化工,青岛精科,生化试剂,仪器仪表

联系人:马先生

手机:18603311238

电话:13032684758 400-619-1068

邮件:haisenmmy@163.com

地址:河北省石家庄市平安北大街158号紫晶广场A座12层

石家庄市海森化工有限公司 版权所有 冀ICP备09012758号-2  技术支持:杰云网络